Skip to main content
Enterprise
News
Products
Certificate
Contacts
Co-financed Projects
Quality & Environment
Fairs & Missions
Enterprise
News
Products
Certificate
Contacts
Co-financed Projects
Quality & Environment
Fairs & Missions
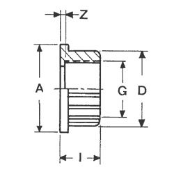
Terminal rosca fêmea
Union end female
Pièce folle femelle
Manguito enlace hembra
G
I
A
D
Z
Gr
Quant.
REF.
CAD
" 1/2
20
36
28
5
7
A 60
02612131012
" 3/4
23
50
36
7
15
A 30
02612131034
1 "
30
50
42
11
17
A 20
02612131100
1 " 1/4
30.5
74.5
52
9.5
38
B 60
02612131114
1 " 1/2
34.5
74.5
63
12.5
48
B 40
02612131150
2 "
44
90
77
18
86
B 20
02612131200
Caract. (PDF)