Skip to main content
Empresa
Novidades
Produtos
Certificados
Contactos
Projetos Cofinanciados
Qualidade e Ambiente
Feiras e Missões
Empresa
Novidades
Produtos
Certificados
Contactos
Projetos Cofinanciados
Qualidade e Ambiente
Feiras e Missões
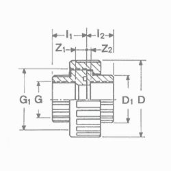
Junções
Unions
Manchons union
Enlaces 3 piezas
G
G1
I1
I2
Z1
Z2
D
D1
Gr
Quant.
REF.
"1/2
40x10
26
20
10
3
46
28
32
B 60
02012114012
" 3/4
47x10
28
23
10
3
56
36
54
B 40
02012114034
1 "
53x8
30
26
10
3
67
42
76
B 20
02012114100
1" 1/4
66x8
41
31
13
3
82
52
129
C 60
02012114114
1" 1/2
74x8
45
35
22
10
88
63
175
C 45
02012114150
2 "
90x8
52
42
18
14
106
77
259
C 30
02012114200
Caract. (PDF)
Porcas de junção
Union nuts
Ecrous
Tuercas enlace
d
G
I
D
Gr
REF.
"1/2
40x10
22
46
12
02012118012
" 3/4
47x10
26
56
23
02012118034
1 "
53x8
28
67
36
02012118100
1" 1/4
66x8
30
82
52
02012118114
1" 1/2
74x8
31
88
56
02012118150
2 "
90x8
38
106
94
02012118200
Caract. (PDF)
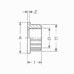
Terminais de junção lisos
Union ends
Pièces folles
Manguitos enlace
G
I
A
D
Z
Gr
REF.
"1/2
20
36
28
3
7
02012116012
" 3/4
23
43
36
3
12
02012116034
1 "
26
50
42
3
17
02012116100
1" 1/4
31
63
52
3
28
02012116114
1" 1/2
35
69
63
10
45
02012116150
2 "
42
83
77
14
76
02012116200
Caract. (PDF)
Terminais de junção roscados
Union bushes
Pièces folles filletées
Manguitos enlace rosca macho
G
G1
I
Z
E
F
H
D
Gr
REF.
"1/2
40x10
26
10
28.4
4.3
2.5
28
12
02012117012
" 3/4
47x10
28
10
35.5
4.8
2.5
36
18
02012117034
1 "
53x8
30
10
39.6
4.6
2.5
42
25
02012117100
1" 1/4
66x8
41
13
51.8
7
4
52
46
02012117114
1" 1/2
74x8
45
22
57
7
4
63
68
02012117150
2 "
90x8
52
18
70
7
4
77
113
02012117200
Caract. (PDF)
Vedantes
«O» ring gaskets
Joints toriques
Juntas
D
d
I
REF.
28,86
21.80
3.53
40908093011
35.23
28.17
3.53
40908093014
38.36
31.30
3.53
40908093015
51.30
40.64
5.33
40908093018
57.65
46.99
5.33
40908093024
70.35
59.69
5.33
40908093030
Caract. (PDF)