Skip to main content
Empresa
Novidades
Produtos
Certificados
Contactos
Projetos Cofinanciados
Qualidade e Ambiente
Feiras e Missões
Empresa
Novidades
Produtos
Certificados
Contactos
Projetos Cofinanciados
Qualidade e Ambiente
Feiras e Missões
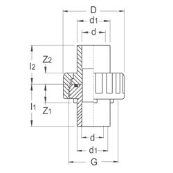
Junção para piscina F/M/F/M
Union for pool F/M/F/M
Manchon union pour piscine F/M/F/M
Enlace 3 piezas para piscina H/M/H/M
d
d1
D
G
I1
I2
Z1
Z2
Gr
PN
Quant
REF.
CAD
40
50
77
2" ¼
57
53
25
15
220
10
C 50
01051322015
50
63
93
2" 3⁄4
65
57
34
18
370
10
C 27
01051322019
Caract. (PDF)
Porcas de junção para piscinas
Union nuts for pools
Ecrous pour piscines
Tuercas enlace para piscinas
d
G
I
D
Gr
REF.
1" ½
2" ¼
30
77
60
01011274150
2"
2" 3⁄4
37
93
97
01011274200
Caract. (PDF)
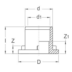
Terminais de junção lisos M/F para piscinas
Union ends M/F for pools
Pièces folles M/F pour piscines
Manguitos enlace M/H para piscinas
d
d1
D
I
Z
Z1
Gr
REF.
50
40
62
49
15
22
64
01051316015
63
50
79
57
18
25
108
01051316019
Caract. (PDF)
Terminais de junção roscados M/F para piscinas
Union bushes M/F for pools
Pièces folles filetées M/F pour piscines
Manguitos enlace M/H para piscinas
d
d1
I
G
Z
Z1
F
H
E
Gr
REF.
50
40
57
2"¼
25
29
7
4
57
80
01051318015
63
50
65
2" 3⁄4
27
34
7
4
70
154
01051318019
Caract. (PDF)
Vedantes
O' ring gaskets
Joints toriques
Juntas
D
d
I
REF.
57.65
46.99
5.33
40908093024
70.36
59.69
5.33
40908093030
Caract. (PDF)