Accéder au contenu principal
Entreprise
Nouvelles
Produits
Certificats
Contacts
Projets Cofinancés
Qualité et Environnement
Foires et missions
Entreprise
Nouvelles
Produits
Certificats
Contacts
Projets Cofinancés
Qualité et Environnement
Foires et missions
União macho / fêmea
Socket male / female
Manchon mâle / femelle
Manguito macho / hembra
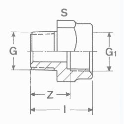
G
G1
S
I
Z
Gr
QUANT.
REF.
CAD
" 1/2
" 1/2
32
37
20
19
A 30
01011169012
"3/4
"3/4
38
42
24
31
B 100
01011169034
1"
1"
46
42
22
37
B 50
01011169100
1" 1/4
1" 1/4
55
53
31
76
B 35
01011169114
1" 1/2
1" 1/2
64
55
31
97
B 30
01011169150
2"
2"
78
61
33
154
B 20
01011169200
4"
4"
130
113
70
560
C 12
01011169400
Caract. (PDF)