Accéder au contenu principal
Entreprise
Nouvelles
Produits
Certificats
Contacts
Projets Cofinancés
Qualité et Environnement
Foires et missions
Entreprise
Nouvelles
Produits
Certificats
Contacts
Projets Cofinancés
Qualité et Environnement
Foires et missions
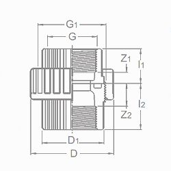
Junção para piscina fêmea/fêmea
Union for pool female/female
Manchon union pour piscine femelle/femelle
Enlace 3 piezas para piscina hembra/hembra
G
G1
I1
I2
Z1
Z2
D
D1
Gr
QUANT.
REF.
CAD
" 1/2
1"
20
27
3
9
40
27
34
B 100
01011278012
"3/4
1" 1/4
23
29
3
9
51
35
63
B 50
01011278034
1"
1" 1/2
27
31
3
9
57
41
80
B 30
01011278100
1" 1/4
2"
30
41
5
22
71
52
146
C 75
01011278114
1" 1/2
2" 1/4
34
45
11
22
77
59
200
C 60
001011278150
2"
2" 3/4
41
52
14
25
93
74
350
C 36
001011278200
2" 1/2
3" 1/2
49
57
16
26
115
91
560
C 16
01011278250
3"
4"
49
66
26
31
132
104
750
C 12
01011278300
4"
5"
50
76
15
37
165
129
1200
C 6
01011278400
Caract. (PDF)
Porcas de junção para piscinas
Union nuts for pools
Ecrous pour piscines
Tuercas enlace para piscinas
d
G
I
D
Gr
REF.
" 1/2
1"
20
40
13
01011274012
"3/4
1" 1/4
23
51
23
01011274034
1"
1" 1/2
25
57
28
01011274100
1" 1/4
2"
27
71
47
01011274114
1" 1/2
2" 1/4
30
77
60
01011274150
2"
2" 3/4
37
93
97
01011274200
2" 1/2
3" 1/2
45
115
163
01011274250
3"
4"
45
132
245
01011274300
4"
5"
59
165
525
01011274400
Caract. (PDF)
Terminais de junção lisos para piscinas
Union ends for pools
Pièces folles pour piscines
Manguitos enlace para piscinas
G
I
A
D
Z
Gr
REF.
" 1/2
20
29,5
27
4
8
01011275012
"3/4
23
38
35
7
16
01011275034
1"
26
44
41
7
21
01011275100
1" 1/4
30
56
52
7
38
01011275114
1" 1/2
34
62
59
11
54
01011275150
2"
41
78
74
14
102
01011275200
2" 1/2
49
97
91
16
170
01011275250
3"
49
109
104
26
200
01011275300
4"
50
135
129
15
242
01011275400
Caract. (PDF)
Terminais de junção roscados para piscinas
Union bushes for pools
Pièces folles filetées pour piscines
Manguitos enlace para piscinas
G
G1
I
Z
E
F
H
D
Gr
REF.
" 1/2
1"
27
9
25,4
3
2
27
13
01011276012
"3/4
1" 1/4
29
9
35,2
4,5
2,5
35
23
01011276034
1"
1" 1/2
31
9
39,8
4,5
2,5
41
29
01011276100
1" 1/4
2"
41
22
50,8
7
4
52
58
01011276114
1" 1/2
2" 1/4
45
22
57
7
4
59
76
01011276150
2"
2" 3/4
52
25
70
7
4
74
140
01011276200
2" 1/2
3" 1/2
57
26
85
7
4
91
219
01011276250
3"
4"
66
31
102
7
4
104
297
01011276300
4"
5"
76
37
124
7
4
128
432
01011276400
Caract. (PDF)
Vedantes
O' ring gaskets
Joints toriques
Juntas
D
d
I
REF.
25,64
20,30
2,62
40908093106
35,23
28,17
3,53
40908093014
39,96
32,90
3,53
40908093016
51,30
40,64
5,33
40908093018
57,65
46,99
5,33
40908093024
70,36
59,70
5,33
40908093030
85,29
74,63
5,33
40908093055
102,10
91,44
5,33
40908093056
124,33
113,67
5,33
40908093057
Caract. (PDF)