Accéder au contenu principal
Entreprise
Nouvelles
Produits
Certificats
Contacts
Projets Cofinancés
Qualité et Environnement
Foires et missions
Entreprise
Nouvelles
Produits
Certificats
Contacts
Projets Cofinancés
Qualité et Environnement
Foires et missions
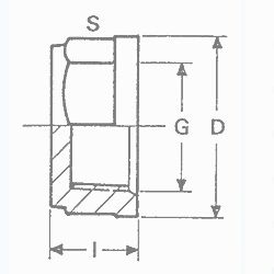
Tampão fêmea
Cap
Bouchon femelle
Tapón hembra
G
D
I
S
Gr
QUANT.
REF.
CAD
" 1/2
37
21
32
18
A 40
01011012012
"3/4
42
24
36
24
A 30
01011012034
1"
50
26
46
40
A 20
01011012100
1" 1/4
60
29
55
60
B 60
01011012114
1" 1/2
65
31
60
70
B 50
01011012150
2"
81
36
75
126
B 30
01011012200
2" 1/2
88
58
92
160
B 20
01011012250
3"
105
56
112
280
B 10
01011012300
4"
129
89
129
480
B 6
01011012400
Caract. (PDF)