| |
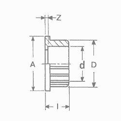
d |
A |
D |
I |
Z |
Gr |
Quant |
REF. |
| |
“½ |
36 |
28 |
20 |
3 |
11 |
A 60 |
01671208020 |
| NEW |
“¾ |
44 |
36 |
23.5 |
3.5 |
22 |
A 40 |
01671135025 |
| |
“¾ |
50 |
36 |
23 |
4 |
25 |
A 30 |
01671208025 |
| 1” |
50 |
42 |
30 |
7 |
29 |
A 20 |
01671208032 |
| 1”¼ |
74.5 |
52 |
30.5 |
3.5 |
60 |
B 60 |
01671208040 |
| 1”½ |
74.5 |
63 |
34.5 |
3.5 |
64 |
B 40 |
01671208050 |
| 2” |
90 |
77 |
44 |
5 |
117 |
B 20 |
01671208063 |
| 2"½ |
124 |
91 |
49 |
5 |
220 |
B 12 |
01671208075 |
| 3" |
138 |
111 |
58 |
7 |
363 |
B 8 |
01671208090 |
| 4" |
141 |
132 |
64 |
6 |
351 |
B 8 |
01671208110 |