Skip to main content
Enterprise
News
Products
Certificate
Contacts
Co-financed Projects
Quality & Environment
Fairs & Missions
Enterprise
News
Products
Certificate
Contacts
Co-financed Projects
Quality & Environment
Fairs & Missions
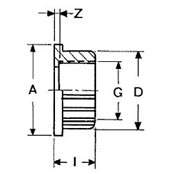
Terminal rosca fêmea NPT
Union end female NPT
Pièce folle femelle NPT
Manguito enlace rosca hembra NPT
G
I
A
D
Z
Gr
Quant.
REF.
1" 1/4
30.5
74.5
52
9.5
58
B 60
01611209114
1" 1/2
34.5
74.5
63
12.5
76
B 40
01611209150
2 "
44
90
77
18
134
B 20
01611209200
Caract. (PDF)