Skip to main content
Enterprise
News
Products
Certificate
Contacts
Co-financed Projects
Quality & Environment
Fairs & Missions
Enterprise
News
Products
Certificate
Contacts
Co-financed Projects
Quality & Environment
Fairs & Missions
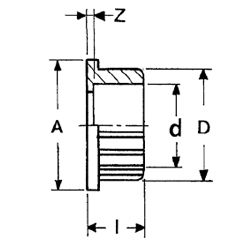
Terminal de colar fêmea
Union end female
Pièce folle femelle
Manguito enlace encolar hembra
d
A
D
I
Z
Gr
Quant.
REF.
40
74.5
52
30.5
3.5
60
B 60
01611131040
50
74.5
63
34.5
3.5
64
B 40
01611131050
63
90
77
44
5
117
B 20
01611131063
75
92
87.5
49
5
103
B 12
01611178075
Caract. (PDF)