Skip to main content
Empresa
Novidades
Produtos
Certificados
Contactos
Projetos Cofinanciados
Qualidade e Ambiente
Feiras e Missões
Empresa
Novidades
Produtos
Certificados
Contactos
Projetos Cofinanciados
Qualidade e Ambiente
Feiras e Missões
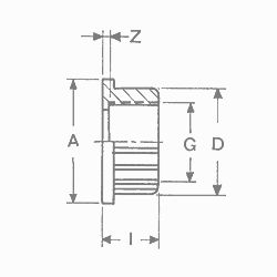
Terminais rosca fêmea - NPT
NPT - Union ends female
Pièces folles femelle - NPT
Manguitos enlace rosca hembra - NPT
G
I
A
D
Z
Gr
Quant
REF.
"1/2
20
36
28
5
11
A 60
01611209012
"3/4
23
50
36
7
25
A 30
01611209034
1"
30
50
42
11
28
A 20
01611209100
1"1/4
30.5
74.5
52
9.5
58
B 60
01611209114
1"1/2
34.5
74.5
63
12.5
76
B 40
01611209150
2"
44
90
77
18
134
B 20
01611209200
2"1/2
49
124
91
18
235
B 12
01611209250
3"
58
138
111
24
392
B 8
01611209300
Caract. (PDF)