Skip to main content
Empresa
Novidades
Produtos
Certificados
Contactos
Projetos Cofinanciados
Qualidade e Ambiente
Feiras e Missões
Empresa
Novidades
Produtos
Certificados
Contactos
Projetos Cofinanciados
Qualidade e Ambiente
Feiras e Missões
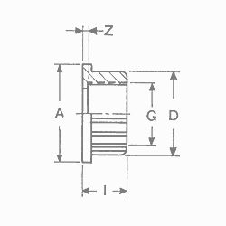
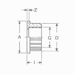
Terminal rosca fêmea
Union end female
Pièce folle femelle
Manguito enlace hembra
G
I
A
D
Z
Gr
Quant.
REF.
CAD
" 3/8
20
36
28
5
13
A 60
01611131038
" 1/2
20
36
28
5
11
A 60
01611131012
NEW
" 3/4
23.5
44
36
7.5
22
A 40
01611135034
" 3/4
23
50
36
6
25
A 30
01611131034
1 "
30
50
42
11
28
A 20
01611131100
1 " 1/4
30.5
74.5
52
9.5
58
B 60
01611131114
1 " 1/2
34.5
74.5
63
12.5
76
B 40
01611131150
2 "
44
90
77
18
145
B 20
01611131200
2 " 1/2
49
124
91
18
235
B 12
01611131250
3 "
58
138
111
24
392
B 8
01611131300
4 "
50
135
128.5
15
280
B 6
01611131400
Caract. (PDF)