Skip to main content
Empresa
Novidades
Produtos
Certificados
Contactos
Projetos Cofinanciados
Qualidade e Ambiente
Feiras e Missões
Empresa
Novidades
Produtos
Certificados
Contactos
Projetos Cofinanciados
Qualidade e Ambiente
Feiras e Missões
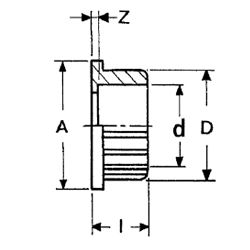
Terminal de colar fêmea
Union end female
Pièce folle femelle
Manguito enlace hembra
d
A
D
I
Z
Gr
Quant.
REF.
CAD
16
36
28
20
3
13
A 60
01611131016
20
36
28
20
3
11
A 60
01611131020
NEW
25
44
36
23.5
4.5
22
A 40
01611135025
25
50
36
23
4
25
A 30
01611131025
32
50
42
30
7
29
A 20
01611131032
40
74.5
52
30.5
3.5
60
B 60
01611131040
50
74.5
63
34.5
3.5
64
B 40
01611131050
60
90
77
44
5
120
B 20
01611131060
63
90
77
44
5
117
B 20
01611131063
75
124
91
49
5
220
B 12
01611131075
85
138
111
59
7
392
B 8
01611131085
90
138
111
59
7
350
B 8
01611131090
110
135
128.5
67
6
365
B 6
01611131110
Caract. (PDF)