Skip to main content
Empresa
Novidades
Produtos
Certificados
Contactos
Projetos Cofinanciados
Qualidade e Ambiente
Feiras e Missões
Empresa
Novidades
Produtos
Certificados
Contactos
Projetos Cofinanciados
Qualidade e Ambiente
Feiras e Missões
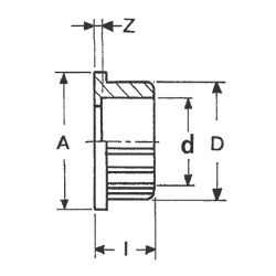
Terminal de soldar fêmea - PP-H
PP-H - Union end female
Pièce folle femelle - PP-H
Manguito enlace hembra - PP-H
d
A
D
I
Z
Gr
Quant.
REF.
CAD
20
36
28
20
3
7
A 60
02532131020
25
50
36
23
4
16
A 30
02532131025
32
50
42
30
7
18
A 20
02532131032
40
74.5
52
30.5
3.5
38
B 60
02532131040
50
74.5
63
34.5
3.5
41
B 40
02532131050
60
90
77
44
6
84
B 20
02532131060
63
90
77
44
6
74
B 20
02532131063
Caract. (PDF)