Skip to main content
Empresa
Novidades
Produtos
Certificados
Contactos
Projetos Cofinanciados
Qualidade e Ambiente
Feiras e Missões
Empresa
Novidades
Produtos
Certificados
Contactos
Projetos Cofinanciados
Qualidade e Ambiente
Feiras e Missões
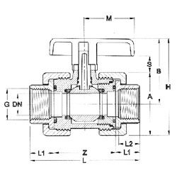
Válvula de roscar
Tapped valve
Vanne filetée
Válvula de roscar
G
DN
A
B
H
L
M
S
Z
L1
L2
Gr
Quant.
REF.
CAD
"1/2
15
47
45
69
83
35
10
43
20
15
80
B 40
02612077012
" 3/4
25
67
70
103
112
53
17
65
23
16
218
C 40
02612077034
1"
25
67
70
103
126
53
17
65
30
19
225
C 40
02612077100
1"1/4
40
93
92
139
147
64
21
87
30
21
517
C 16
02612077114
1"1/2
40
93
92
139
156
64
21
87
34
22
538
C 16
02612077150
2"
50
113
105
162
190
73
23
100
44
26
865
C 10
02612077200
Caract. (PDF)