Skip to main content
Empresa
Novidades
Produtos
Certificados
Contactos
Projetos Cofinanciados
Qualidade e Ambiente
Feiras e Missões
Empresa
Novidades
Produtos
Certificados
Contactos
Projetos Cofinanciados
Qualidade e Ambiente
Feiras e Missões
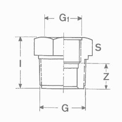
Reduções macho/fêmea curtas
Short reducers male/female
Réductions courtes mâle/femelle
Reducciones curtas macho/hembra
G
G1
I
Z
S
Gr
Quant.
REF.
"3/4
" 1/2
28
13
29
8
A 50
02012080004
"1
" 1/2
28
13
35
13
A 30
02012080006
Caract. (PDF)