Skip to main content
Empresa
Novidades
Produtos
Certificados
Contactos
Projetos Cofinanciados
Qualidade e Ambiente
Feiras e Missões
Empresa
Novidades
Produtos
Certificados
Contactos
Projetos Cofinanciados
Qualidade e Ambiente
Feiras e Missões
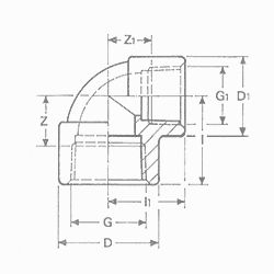
Joelhos de redução a 90º
Reducing elbows 90º
Coudes de réduction à 90º
Codos 90º reducidas
G
G1
D
D1
I
I1
Z
Z1
Gr
Quant.
REF.
" 3/4
" 1/2
37
30
33
28
17
14
23
B 90
02 01 2002 005
Caract. (PDF)