Skip to main content
Empresa
Novidades
Produtos
Certificados
Contactos
Projetos Cofinanciados
Qualidade e Ambiente
Feiras e Missões
Empresa
Novidades
Produtos
Certificados
Contactos
Projetos Cofinanciados
Qualidade e Ambiente
Feiras e Missões
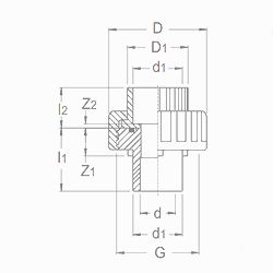
Junção F/M/F
Union F/M/F
Manchon union F/M/F
Enlace 3 piezas H/M/H
d
d1
D
D1
G
I1
I2
Z1
Z2
Gr
Quant.
REF.
CAD
16
20
46
28
40x10
33
20
17
3
52
B 60
01051320003
20
25
56
36
47x10
37
23
18
3
84
B 40
01051320006
25
32
67
42
53x8
42
26
19
3
128
B 20
01051320009
32
40
82
52
66x8
49
31
22
3
204
B 18
01051320012
40
50
88
63
74x8
57
35
25
3
270
C 48
01051320015
50
63
106
77
90x8
65
42
27
3
436
C 25
01051320019
Caract. (PDF)
Porcas de junção
Union nuts
Ecrous
Tuercas enlace
d
G
I
D
Gr
REF.
20
40x10
22
46
19
01011118012
25
47x10
26
56
35
01011118034
32
53x8
28
67
56
01011118100
40
66x8
30
82
86
01011118114
50
74x8
31
88
90
01011118150
63
90x8
38
106
151
01011118200
Caract. (PDF)
Terminais de junção lisos
Union ends
Pièces folles
Manguitos enlace
d
A
D
I
Z
Gr
REF.
20
36
28
20
3
11
01051116020
25
43
36
23
3
20
01051116025
32
50
42
26
3
26
01051116032
40
63
52
31
3
43
01051116040
50
69
63
35
3
59
01051116050
63
83
77
42
3
96
01051116063
Caract. (PDF)
Terminais de junção roscados M/F
Union bushes M/F
Pièces folles filetées M/F
Manguitos enlace rosca macho M/H
d
d1
I
G
Z
Z1
F
H
E
Gr
REF.
20
16
33
40x10
17
19
4.3
2.5
28.4
20
01051317003
25
20
37
47x10
18
21
4.8
2.5
35.5
30
01051317006
32
25
42
53x8
19
23
4.6
2.5
39.6
46
01051317009
40
32
49
66x8
22
26
7
4
51.8
73
01051317012
50
63
57
74x8
25
29
7
4
57
110
01051317015
63
50
65
90x8
27
34
7
4
70
183
01051317019
Caract. (PDF)
Vedantes
O' ring gaskets
Joints toriques
Juntas
D
d
I
REF.
28.86
21.80
3.53
40908093011
35.23
28.17
3.53
40908093014
39.96
32.90
3.53
40908093016
51.30
40.64
5.33
40908093018
57.65
46.99
5.33
40908093024
70.36
59.69
5.33
40908093030
Caract. (PDF)