Empresa
Productos
Certificados
Contactos
Proyetos cofinanciados
PT
EN
ES
FR
Empresa
Productos
Certificados
Contactos
Proyetos cofinanciados
Junções F/M/F/M
Unions F/M/F/M
Manchons union F/M/F/M
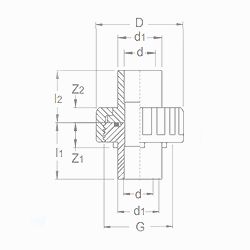
Enlaces 3 piezas H/M/H/M
d
d1
D
G
I1
I2
Z1
Z2
Gr
Quant.
REF.
20
16
46
40x10
33
28
17
11
51
B 60
01051319003
32
25
67
53x8
42
35
19
12
126
B 20
01051319009
40
50
88
74x8
57
49
25
14
276
01051319015
50
63
106
90x8
65
56
27
17
460
01051319019
Caract. (PDF)