Skip to main content

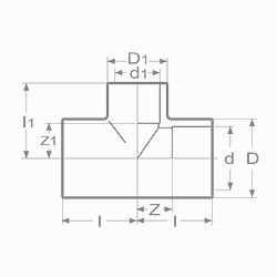
Tê de redução a 90º

Reducing tee 90º

Té de réduction à 90º

Te 90º reducida

d d1 D D1 I I1 Z Z1 Gr PN Quant. REF. CAD
20 16 20 21 28 26 11 12 19 16 B 100 01051004001 download
25 16 31 21 33 28 13 14 26 16 B 60 01051004003 download
25 20 31 25 33 30 13 13 28 16 B 60 01051004002 download
32 20 38 25 39 34 16 17 42 16 B 40 01051004004 download
32 25 38 31 39 37 16 17 45 16 B 40 01051004005 download
40 20 47.5 26 49 38 22 22 78 16 C 100 01051004006 download
40 25 47.5 32 49 41 22 22 80 16 C 90 01051004007 download
40 32 47.5 40 49 43 22 21 84 16 C 80 01051004008 download
50 20 60 26 57 44 25.5 28 143 16 C 45 01051004009 download
50 25 60 32 57 47 25.5 28 146 16 C 50 01051004010 download
50 32 60 40 57 50 25.5 28 150 16 C 45 01051004011 download
50 40 60 49 57 54.5 25.5 28 157 16 C 45 01051004012 download
63 20 75.5 26 72 50 34 33.5 280 16 C 30 01051004025 download
63 25 75.5 32 72 52.5 34 33.5 280 16 C 30 01051004026 download
63 32 75.5 40 72 56 34 33.5 283 16 C 30 01051004013 download
63 40 75.5 49 72 60 34 33.5 288 16 C 30 01051004014 download
63 50 75.5 60 72 65 34 34 299 16 C 26 01051004015 download
75 50 92 61 84 71 40 40 527 16 C 12 01051004016 download
75 63 92 77 84 78 40 40 548 16 C 12 01051004017 download
90 50 109 65 99 83 48 48 865 16 E 16 01051004018 download
90 63 109 77 99 86 48 48 865 16 E 16 01051004019 download
90 75 109 92 99 92 48 48 900 16 E 16 01051004020 download
110 50 132 65 119 96 58 65 1417 16 E 11 01051004021 download
110 63 132 77 119 96 58 58 1426 16 E 11 01051004022 download
110 75 132 92 119 102 58 58 1451 16 E 11 01051004023 download
110 90 132 109 119 109 58 58 1522 16 E 9 01051004024 download
125 50 145 60 135 94 66 64 1680 10 E 8 01051004033 download
125 63 145 75 135 101 66 64 1700 10 E 8 01051004034 download
125 75 145 89.5 135 107 66 64 1714 10 E 8 01051004035 download
125 90 145 105 135 115 66 64 1740 10 E 8 01051004036 download

125

110 145 129 135 125 66 64 1830 10 E 8 01051004037 download
140 50 162 62 149 109 72 77.5 2190 10 D 6 01051004040 download
140 63 162 75.5 149 110 72 72 2180 10 D 6 01051004041 download
140 75 162 89.5 149 116 72 72 2200 10 D 6 01051004042 download
140 90 162 105 149 123 72 72 2222 10 D 6 01051004043 download
140 110 162 129 149 133 72 72 2390 10 D 5 01051004044 download
140 125 162 145.5 149 141 72 72 2485 10 D 5 01051004045 download
160 75 188 89.5 167 125 81 81 3637 10 D 5 01051004047 download
160 90 188 105 167 132.5 81 81 3611 10 D 4 01051004048 download
160 110 188 129 167 142.5 81 81 3700 10 D 4 01051004049 download
160 125 188 145 167 150 81 81 3741 10 D 4 01051004050 download
160 140 188 162 167 158 81 81 3810 10 D 4 01051004051 download
200 90 227 105 210 154.5 103 103 5284 10 E 1 01051004053 download
200 110 227 129 210 164.5 103 103 5365 10 E 1 01051004054 download
200 125 227 145 210 172 103 103 5425 10 E 1 01051004055 download
200 140 227 162 210 180 103 103 5545 10 E 1 01051004056 download
200 160 227 185 210 189 103 102 5760 10 E 1 01051004057 download
315 160 356 188 332 253 167 167 19540 10 I 1 01051004076 download